Dschen Reinecke

www.infrarotport.de

[Startseite] [Bauanleitung] [English] [Bauteil-Bestellung] [Produkt-Bestellung] [AGB] [FAQ] [Forum] [Troubleshooting] [Treiber-Seite] [Mainboard-Seiten] [Platinenlayout] [Galerie-Seite] [Links] [Banner-Seite] [Sitemap] [Kontakt]

Computer, Elektronik und Telekommunikation - Handel und Service
Startseite
Bauanleitung
Bestell-Seite
Platinen-Seite
Mainboard-Seite
Sitemap
Kontakt

Dschen Reineckes Infrarotport Galerie


Stand: 03. Mar 2004
Auf dieser Seite präsentiere ich Euch Bilder von verschiedenen gebastelten Infrarotports. Die Bilder sind mir von den Erbauern zugemailt wurden. Wenn Du auch ein Bild hast, dann kannst Du dies mir gerne mailen (galerie@infrarotport.de).
Da ich mittlerweile recht viele Bilder zugeschickt bekommen habe, habe ich diese auf 5 Seiten aufgeteilt:
[Seite1] [Seite2] [Seite3] [Seite4] [Seite5]

Ich danke allen, die mir Bilder geschickt haben.

Mein Prototyp. Noch ohne Verbindung von Sensitivity control mit GND.
Die Kabel-Farben stimmen nicht mit denen überein, die ich ich jetzt verwende!

Ein mit der Sende-Kontroll-LED aufgebauter Infrarotport. Dieser ist ähnlich dem, den Du bei mir für 16,- EUR (DEM 31,29) bei mir bestellen kannst.

Dies ist ein komplett aufgebauter Infrarotport ohne Sende-Kontroll-LED.

So hatte ich meinen Infrarotport in meinen PC eingebaut.
Einfach in Abdeckung eines unbenutzten Laufwerks-Einschubs zwei 3mm-Löcher gebohrt, und mit Heißkleber den Infrarotport dahinter geklebt.

So habe ich meinen Infrarotport jetzt in meinen PC eingebaut:
Einem 3,5 Zoll-Adapter-Rahmen habe ich eine Plexiglas-Scheibe verpasst, und mit dem Drucker eine Beschriftung verfasst. Für den dahintergeklebten Infrarotport habe ich in dieses Papier ein Loch geschnitten. Damit der Infrarotport nicht so auffällt, habe ich die Platine mit Edding schwarz angemalt.


Swen Langel hat seinen Infrarotport in ein Gehäuse eines Infrarotempfängers einer Video-Karte eingebaut.

Dazu scheibt er folgendes:
"Beim Mediamarkt gibt es die Fernbedinung für Miro TV Karten für 5,- DM (das Gehäuse, eine Fernbedinung, 2 AAA Batterien, und die Elektronik evtl. zum Ausschlachten), und für den Preis kann ich mir kein so schönes Gehäuse basteln!"
Meiner Erfahrung nach gibt es auch verschiedene andere Video-Karten-Hersteller, die ihr Zubehör ähnlich billig verkaufen.


Bevor Grisu seinen Infrarotport in sein Gehäuse eingebaut hat, hat er ihn verkleidet: :-)

Im bübchenblauen Gehäuse...

...ist der Infrarotport mit Heißkleber fixiert.


Dirk Hansen schreibt zu seinem Infrarotport:
"Ich habe die Puffer-Elko, als auch das Glättungs-Set eingebaut auf engsten Raum. Ich hatte keinen 15 Ohm Widerstand zur Hand und bin auf 10 + 4,9 ausgewichen."


Holger Scholz stammt diese Lösung. Er hat ein Sub-D-9-Pol-Gehäse genommen und mit einer roten Plexiglasplatte verschlossen.

Hier sein Platinen-Layout, daß er mir gemailt hat. Allerdings nutzt er SMD-Bauteile, damit alles in das Steckergehäuse passt. (Die Größe muß angepasst werden)


Der Infrarotport von Axel Wendt.
Ohne und...

...mit Gehäuse. :-)


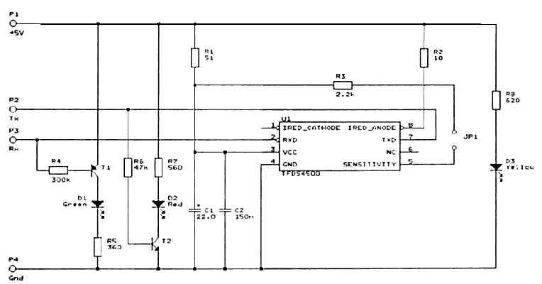
Von Plamen Antonov: Ein Infrarotport mit verschiedenen Anzeigen.

Im Gehäuse mit Kabel.

Und der entsprechende Schaltplan.
Er schreibt folgendes dazu:
"Obviously the only essential elements are U1, R1, C1, C2, R2. R1, C1, C2 also can be discarded, but I do not recommend doing it. T1 and T2 are any universan transistors. R4 and R6 depend on them. I used a flat telephone cable, but it will be better to use shielded cable. The cable ends with usual PS/2 mouse connector (male) (according to IrDA it should be MiniDIN). I put a female PS/2 connector, mounted on a bracket in my computer - it is usually used for connecting a PS/2 mouse to the built-in MB port.Only the connector going to the MB needs to be replaced."
Der Schlaltplan in groß: plamen3_gross.GIF


Ein fliegender Aufbau von Markus Kniehl :-)


Der Aufbau von Helge.

Die Spannungsglättung hat der im Kabel untergebracht...

...weil im Gehäuse wohl nicht genug Platz war.


Aike Terjung hat den Infrarotport in seine Computerboxen integriert.

Befestigt ist er mit Heißkleber...

...und die Verbindung zum Computer erfolgt über ein Slotblech-Stecker.


Auf einem eigenen Layout hat Björn Eckart...

...den Infrarotport aufgebaut.


Aus Norwegen kommt das "5 Kronen-Modell" von Bodo G. Meier. Er hat sich die Bauteile und eine Heißklebepistole bei seinem letzten Deutschland-Besuch besorgt: "Da bei mir das Zusammenlöten einer kompletten elektronischen Schaltung schon fast 30 Jahre zurückliegt, funktionierte erstmal nichts. :-( Ich fand aber schnell heraus, daß ich die Sende-Kontroll-LED falsch herum eingelötet hatte, da ich bei dem Schaltzeichen für LED Anode und Kathode verwechselt hatte. Nach dem Umlöten funktioniert alles wie es soll. :-))"

Zur Frage des Gehäuse schreibt er: "Hier in Norwegen gibt es solche praktischen, kleinen Kunststoffdöschen von Pfefferminzpastillen, bei denen der Deckel herausgezogen werden kann und danach auch wieder ordentlich einrastet. Nachdem ich den Tantal- und den Elektrolytkondensator nochmal platzsparender umgelötet hatte, passte die Schaltung perfekt hinein. Als Anschlußkabel habe ich eines von einer 'gestorbenen' Maus genommen: ein 5-poliger Platinenstecker war schon dran und praktischerweise konnte ich auch noch die Abschirmung auf GND legen."


Als einen Beweis, daß er auch ohne SMD-Bauteile ein einen SUB-D-Stecker passt sendet mir Sven Jäkel dieses Bild: "Allerdings war das Gehäuse auch früher mal ein 25poliger Stecker :)
Für 9polige Steckergehäuse braucht man eben doch SMD Bauteile."

Zunächst hatte er ein Stück Plastik als Blende eingebaut, aber das hat die Reichweite reduziert. Jetzt hält er nach einem großen Stück Plastik von einer IR-Fernbedienung Ausschau.

Wie man sieht hat er ihn auf einer einfachen Lochraster-Platine aufgebaut.


Auch Philipp Jaeckel hat ihn auf eine einfache Lochraster-Platine aufgebaut.


Da ich mittlerweile recht viele Bilder zugeschickt bekommen habe, habe ich diese auf 5 Seiten aufgeteilt:
[Seite1] [Seite2] [Seite3] [Seite4] [Seite5]

Ich danke allen, die mir Bilder geschickt haben.